电子邮件:sales2@hsdcmotor.com
简体中文
日本語
English
首页
关于昊升
荣誉证书
自动化产线
公司历程
产品中心
直流有刷电机
直流无刷电机
齿轮减速电机
无齿槽电机(空心杯)
永磁同步电机
行业应用
汽车
家用
医疗
工业
新闻
产品知识
联系我们
当前所在位置:
首页
»
产品中心
»
永磁同步电机
»
永磁同步电机HSBI94
产品分类
直流有刷电机
直流无刷电机
齿轮减速电机
无齿槽电机(空心杯)
永磁同步电机
最新产品
昊升电机公司宣传视频震撼来袭
2021-04-24
传承与展望:公司董事长与新员工共话企业文化与责任
2025-09-28
昊升电机引入精益生产培训,全面启动制造体系优化升级
2025-09-25
区领导走访我司,助力重点企业高质量发展
2025-09-25
合规申明
2025-09-06
公司ISO 50001能源管理体系复审圆满通过 持续领跑绿色发展赛道
2025-07-31
经开区遥观镇领导莅临昊升慰问高温一线员工 共话企业发展
2025-07-31
公司顺利通过ISO 14001及ISO 45001首次监督审核 彰显环保与职业健康安全管理双标杆
2025-07-31
常州市昊升电机股份有限公司 供应商行为准则
2025-07-11
履行社会责任 提高管理水平
2025-06-30
昊升电机
地址:
江苏省常州市经开区遥观镇戴洛路666号
新材料产业园16号楼
打电话给我们
电话:+ 86-519-68219900
电子邮件:
info@haojiecn.com
loading
分享到:
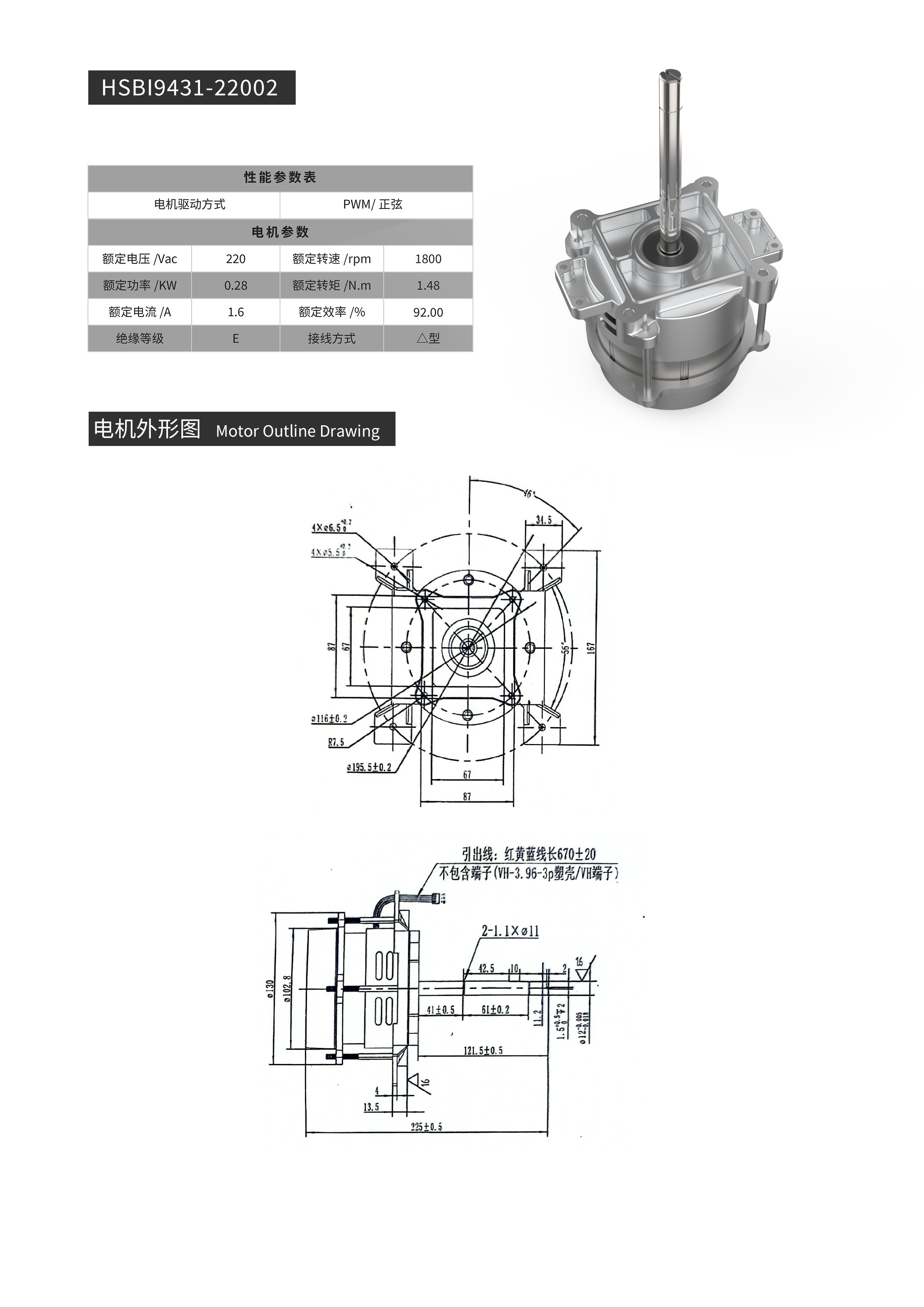
永磁同步电机HSBI94
状态:
数量:
询价
加入询价篮
型号:
HSBI9431-22002
产品品牌:
HS MOTOR
产品描述
上一条:
下一条:
Contact us
*
姓名
*
邮箱
公司名称
*
产品类型
直流有刷电机
直流无刷电机
齿轮箱电机
微型泵
空心杯直流电机
其它
*
留言
提交
相关新闻
内容为空!
昊升中国
昊升常州
地址:江苏省常州市经开区遥观镇戴洛路666号
新材料产业园16号楼
销售(Sales Dept):
陈华杰 Richard Chen
手机(Mobile): +8613656128299
+8618651230922(微信同号)
电子邮件:sales2@hsdcmotor.com
黄杰 Aaron
手机(Mobile):+8613182532616
电子邮件:
sales1@hsdcmotor.com
投诉邮箱:
hr6@hsdcmotor.com
昊升合作伙伴
HS-MOTOR Europe Sales Office
地址: Krummenackerstrasse 15 73733 Esslingen Germany
联系人:kexiu zhong
电话:+49 711 2620240
电子邮件:
sales49@hsdcmotor.com
HS-MOTOR OSAKA
地址:日本542-0072 大阪府大阪市中央区 高津 1丁目9−10 インテリジェンスビル 807
联系人:李辉(Li Hui)
电话:+8613957896360
电话/传真:06 4708,5573
电子邮件:
osakalibin@hsdcmotor.com
电子邮件:
osakalibin@yahoo.co.jp
快速链接
首页
关于昊升
产品中心
行业应用
新闻
产品知识
联系我们
© 版权 - 常州市昊升电机股份有限公司 技术支持
有心网络
后台管理
电话
+ 86-0519-88375851
邮箱
sales2@hsdcmotor.com